Otel special
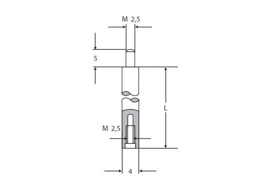
Tija M2.5
Cu Ø montare 8 mm orificiu pentru ceasuri analogice
Prindere coada Ø 8 mm
Cea mai mica gaura: 6 mm
Cu Ø montare 8 mm orificiu pentru ceasuri analogice
Prindere coada Ø 8 mm
Cea mai mica gaura: 6 mm
Cu Ø montare 8 mm orificiu pentru ceasuri analogice
Prindere coada Ø 8 mm
Cea mai mica gaura: 6 mm
Pentru ceasuri analog cu cadran Ø 58 mm, pentru a fi utilizate fara un suport sau un stand
Nu poate fi folosit cu 0701103 si 070110 sau toate ceasurile compar
Ø 5 mm
Nu pot fi folosite la 0701103 si 0701106 sau toate cesurile digitale